Salesforce

Sine Control: Closed Loop Control Parameters

« Go Back

Information

 
TitleSine Control: Closed Loop Control Parameters
URL Namesine-control-closed-loop-control-parameters
Summary
Details


Direct YouTube link: https://youtu.be/bt4LZvPxTAY

 

Sine Control: Closed Loop Control Parameters

Run a million sine control tests without a problem, but suddenly running into aborts and other issues?

These issues can be caused by a variety of factors, including test object resonances, low amplitude control, harmonic distortion, etc.

In this article, some sine control parameters that can be adjusted to address these test issues are explained:

  • Compression Factor
  • Sweep Rate
  • Number of Periods for Estimator

Understanding how the parameters work is helpful in avoiding test aborts, over tests, and excessive test item fatigue.

To understand how changing these parameters affects the sine control, some background information is helpful.

Control Background

In a sine control test, sinusoidal vibration is reproduced on a test object, or Unit Under Test (UUT). This is done in a closed loop, where a shaker system output is constantly being adjusted to meet a target profile vibration during a sine sweep on the UUT. This target vibration profile may come from standards or be based on actual field testing. The actual vibration at the target location is monitored by one or more control accelerometers as shown in Figure 1.

1.png
Figure 1: Closed loop vibration control system

The sine control algorithm tries to reproduce the sinusoidal vibration amplitude as accurately as possible. The test structure and shaker can make this challenging through unpredictable behavior due to resonances, noise, harmonic distortion, or other dynamic behavior.

The control loop needs to respond to dynamic changes. One measure of the control loop's ability to follow these dynamic changes is referred to as ‘response time’ or ‘loop time’. The speed at which changes are made can cause an overcorrection (too fast), an under correction (too slow), or an ideal response time that works accurately for the frequency band of interest. The control can be said to be under damped, over damped, or critically damped. A simple time domain example is shown in Figure 2.

2.jpg
Figure 2: Under damped, over damped, and ideal control of a sine

The concept of the control loop damping can be further explained by an analogy of the adjustment of a storm door damper commonly seen in homes (Figure 3). In this case, the door is shutting, not converging to a sine wave:

  • Under Damped - If adjusted one way, the door slams shuts rapidly, closing too quickly. It can also overshoot the desired control amplitude. One might say it’s “under damped” .
  • Over Damped - Adjusted another way the door closes very, very slowly and allows the heat to escape in the winter and insects inside during the summer. It does not respond quickly to changes in control amplitude. In this case one might say it’s “over damped”.
  • Critically Damped - What we strive for is the perfect adjustment, so door closes in a timely manner, allowing someone to enter but does not slam shut. This is the “Ideal” damping also sometimes stated as a critical damped system.

3.jpg
Figure 3: Storm door damper

Let's take a look at the control parameters in more detail.

Compression Factor

The compression factor controls the rate at which errors in the control signal can be corrected by the system. It is defined by an integer value from 1 to 20, with a default of 4 in Simcenter Testlab (formerly LMS Test.Lab):

  • A compression factor of 1 represents an immediate correction of the control loop's transfer function.
  • A compression factor of 20 is a more gradual correction.

The drive amplitude is adjusted taking into account the compression factor and error difference between control and target as shown in Figure 4:

  • Compression Factor (K) – User selectable value between 1 and 20
  • Error (E) – Difference between the measured control amplitude and target amplitude, expressed in decibels
  • Ai – Current amplitude
  • Ai+1 – Next amplitude

comp_fact.png
Figure 4: Compression factor, Error, and Control Loop Amplitudes

Increasing the compression factor results in a more stable and gradual change in the control amplitude, but makes the control process less responsive to dynamic changes. Given the changing dynamic characteristics of the Unit Under Test (UUT), a compression factor that works well at one frequency might not respond quick enough at a different frequency.

Figure 5 shows the effects of different compression factors for a 2g sine test from 20 to 2000 Hertz, swept at a rate of 4 octaves per minute. The Y-axis on the left is the vibration level of the control accelerometer. The Y-axis on the right is the system Frequency Response Function or FRF.

5.jpg
Figure 5: Comparison of different compression factors (1, 4, 12, and 20 – colored lines) overlaid with system FRF (black line)

Looking at Figure 5, the following can be observed:

  • Increasing the compression factor makes the control updating less responsive to needed changes in dynamic behavior. The higher the compression factor, the less the measured amplitude follows the control target amplitude.
  • The control amplitude diverges from the target value where there are resonances in the system FRF. The black line is the Frequency Response Function between the drive to the control accelerometer. At these resonant frequencies, where amplitude changes in the system FRF occur, the higher compression factor did not allow the test control amplitude to change quickly enough to match the target.

However, one should not interpret Figure 5 to mean that a compression factor of 1 is always the best choice. Depending on how sharp a resonance is, a vibration control system utilizing a fast correction speed can cause an over-correction and possible test abort.

In Figure 6, identical tests were run with only the compression factor changed. First, the test was run with a compression factor of 4, which is the default. The same test was run again with a compression factor of 1.

6.jpg
Figure 6: Sine control test with compression factor of 1 (green) aborts due to overcorrection while sine control test with compression factor of 4 (red) does not

When the compression factor was set to 1, the test had an abort because the sine control loop overcorrected the drive at an anti-resonance in the control system. With the compression factor set to 4, the control amplitude was changed more gradually, and the overcorrection did not occur. Without the overcorrection, the test had no abort and was able to complete.

7.png

Setting the correct compression factor is a trial and error process. There is no single “correct” factor. The parameter has to be set so that neither an over-correction nor an under-correction occurs.

Compression Factor in Simcenter Testlab

The compression factor is defined in the upper right-hand of the ‘Sine Setup’ worksheet as shown in Figure 7.

compression.png
Figure 7: Compression Factor can be set in upper right corner of Sine Setup worksheet

When updating the drive signal, the control algorithm will not only consider the amplitude of the reference profile spectrum, but also the compression factor.

Compression Speed versus Compression Factor

Sometimes the term compression speed is used instead of compression factor. Compression speed and compression factor are related, but not the same:

  • The compression factor, which can be changed by the user in the software interface, is a constant value that is used in the calculation of compression speed. The compression speed cannot be changed directly by the user.
  • The compression speed is approximately proportional to compression factor divided by the control loop time. The control loop time (the time it takes for changes to be made) decreases as the control frequency increases, since the periods occur more quickly.

This relationship is why the compression factor can be thought to increase the speed of the correction, even though it is a scale factor.

Sweep Rate

The sweep rate is another parameter that affects the sine control. The sweep rate is a measure of the rate at which the control frequency changes over time.

The slower the sweep rate of the control frequency of the sine test, the longer the control has to adjust to achieve the target vibration amplitude. With a slower sweep rate, there is less likelihood a for a sine control test to abort or stop.

sweeprate.png

The sweep rate of a sine control test is usually specified in octaves per minute. A sweep rate of 2 octaves per minute is faster than 1 octave per minute.

Slowing the sweep rate increases the duration of the test, but decreases the likelihood of an abort.

Unfortunately, some test specifications do not allow changing the sweep rate.

Sweep Rate in Simcenter Testlab

The sweep rate can be adjusted on the middle right hand side of the ‘Sine Setup’ worksheet as shown in Figure 8.

9.jpg
Figure 8: Sweep rate setting from Sine Setup worksheet

The sweep rate can also be adjusted during a test using the 'Speed Up' and 'Speed Down' buttons on the right side of the ‘Sine Control’ worksheet.

Number of Periods for Estimator

The Number of Periods for Estimator is the number of period or cycles of the drive frequency that the response amplitude of the control and measurement channels will be measured over (Figure 9).

The default value for Number of Periods for Estimator is 1, which is the minimum selectable value. The number can be increased by the user.

10.jpg
Figure 9: Graphical illustration of number of periods equal to 3 and equal to 4

Averaging over more periods can reduce noise and harmonic distortion, but can have a negative impact on the control loop time. More cycles, especially at low frequency, increases the acquisition time and will have an effect on the control loop.

number_periods.png

As shown in Figure 10 below, increasing the Number of Periods for Estimator can help reduce any distortion in the response being measured. Mathematically, increasing the number of periods works as a narrowing filter around the signal being measured.

 

12.jpgFigure 10: Increasing the number of periods from 1 (blue) to 10 (pink) makes the control amplitude match the target (green) more closely

The control system needs at least a single period to update the transfer function.

Occurrence Count

To know how many periods are actually measured, view the function called “Occurrence Count”. It is contained in the run folder following a sine sweep as shown in Figure 11. The “Occurrence Count” is the number of periods used in the transfer function estimation between the control accelerometer and DAC output.

13.jpg
Figure 11: In this Simcenter Testlab Sine Control test, the occurrence count trends upward as more periods can be observed with higher control frequencies

The sweep rate is maintained at all times, and is the dominant parameter in defining the sine sweep. This can mean that at lower frequencies there can be the case where no complete periods are measured. This happens when the sweep rate is set fast enough that the system is not able to measure a complete period at the frequency of the excitation signal. In this case the occurrence count is zero, and the transfer function is not updated.

As the sweep frequency increases, there will be higher number of periods in the estimation of the control amplitude, and hence a higher number in the occurrence count function. The occurrence count can be a good way to help diagnose troublesome structures regarding control. For example, if the count is zero, slowing the sweep rate over the associated frequency range could help.

Of course, slowing down the sweep rate with the tabulated values will allow the system more periods for the estimations of the control amplitude and for the update of the Transfer Function, allowing for better control. However, often the sweep rate or test duration is fixed by the test specification and cannot be changed.

Number of Periods for Estimator in Simcenter Testlab

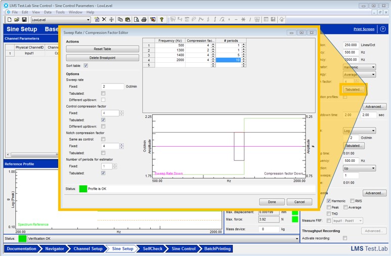
The Number of Periods for Estimator is defined in the Sweep Rate / Compression Factor Editor menu. This menu can be opened by selecting the ‘Tabulated…’ button, found in the upper right-hand of the ‘Sine Setup’ worksheet as shown in Figure 12.

tabulated.png
Figure 12: Use the "Tebulated..." button in the upper right of the Sine Setup worksheet to change control parameters as a function of frequency

Figure 13 shows the ‘Sweep Rate / Compression Factor Editor' menu with the Number of Periods for Estimator indicated in yellow.

15.jpgFigure 13: ‘Number of Periods Estimator’ from the ‘Tabulated…’ button in Sine Control setup

Depending on the vibration control software being used, the Number of Periods for Estimator is analogous to a parameter sometimes called Integration Time. With increased integration time, more periods are used for the amplitude estimation and averaging. However, integration time remains fixed at all frequencies, whereas the same number of periods occur in a shorter amount of time at higher frequencies.

Advanced: Tabulated Control Parameters

For challenging reference profiles and UUTs with dynamic behavior, it may be necessary to use different control parameters for different frequency bands being tested.

For example, at higher frequencies, a test structure and fixture may have highly dynamic modes as shown in Figure 14. Notice in the pink colored frequency range (roughly 1200 to 1450 Hz) that the Total Harmonic Distortion (THD) is higher.

16.jpgFigure 14: Low frequency region (yellow) has less dynamics than high frequency region (pink)

Variable speeds and periods can be defined in the ‘Sweep Rate / Compression Factor Editor’ by selecting the “Tabulated…” buttons on the left side of the ‘Sine Setup’ worksheet as shown in Figure 15.

17.jpgFigure 15: Press the “Tabulated…” button on the right side of the ‘Sine Setup’ worksheet to open the Compression Factor Editor

In the sweep rate editor, control parameters can be changed over specific frequency ranges as shown in Figure 16.

compression_menu.pngFigure 16: Press the "Tabulated" checkbox to define control parameter as a function of frequency via the Sweep Rate/Compression Factor Editor

Compression factors, number of periods, and sweep rates, can be adjusted for different frequency bands as required. Check ON the “Tabulated” checkbox under the parameter to be adjusted.

19.jpg

Conclusion

There are several user definable software parameters that can affect the Sine Control Loop. Understanding these parameters and their relationship, along with knowledge of the dynamic behavior of the fixture being used and the test item, can be very helpful in completing the sweep and avoiding test aborts or over testing.

In the Simcenter Testlab Documentation, there is extensive documentation in the “Simcenter Testlab Sine Control” manual. The documentation is located in “Start->Programs-> LMS Test.Lab {rev}->Documentation” or “Start->Programs-> Simcenter Testlab {rev}->Documentation”

 

Questions? Email william.flynn@siemens.com or contact Siemens Support Center.


Related Links


Powered by